Циркуляционный насос Grundfos UPS 65-185 F (3x400 B)
Насосы UPS(D) серии 200 спроектированы для обеспечения циркуляции жидкостей в системах отопления и кондиционирования воздуха. Насосы с корпусами из бронзы также подходят для использования в системах горячего водоснабжения.
Примеры вариантов применения приведены ниже:
- Однотрубные и двухтрубные системы отопления;
- Основные насосы;
- Зональные насосы;
- Котельные насосы с параллельным всасыванием;
- Насосы для отопительных поверхностей;
- Водонагреватели;
- Системы отопления "тёплый пол";
- Системы солнечного отопления;
- Теплонасосные системы;
- Геотермальные системы теплоснабжения;
- Системы рекуперации тепла;
- Двухтрубные системы кондиционирования воздуха;
- Насосы для холодильных установок.
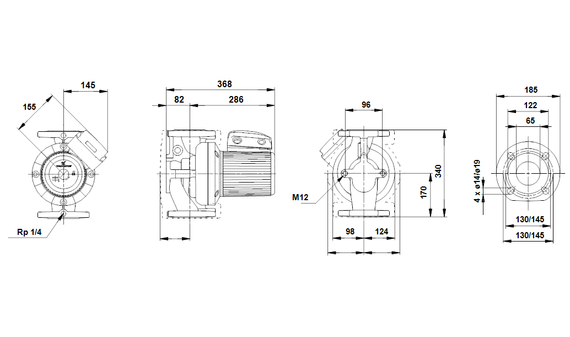
Технические характеристики Grundfos UPS 65-185 F (3x400 B)
- Номер модели: 96430298
- Сервис за 24 часа: да
- Гарантия: 24 мес.
- Тип насоса: Циркуляционный
- Потребляемая мощность: 1710.0 Вт
- Пропускная способность: 82.0 м3/ч
- Максимальный напор: 17.0 м
- Напряжение сети: 3x400 В
- Вес насоса: 32.5 кг
- Размер фланцев: DN 65
- Эксплуатационное давление: Макс. 10 бар
- Температура окружающей среды: от 0°С до + 40°С
- Длительно действующая температура: макс. +120°С







