Циркуляционный насос Grundfos UPS 32-120 F (1x230 B)
Насосы UPS серии 200 спроектированы для обеспечения циркуляции жидкостей в системах отопления и кондиционирования воздуха.
В системах отопления и горячего водоснабжения насосы UPS серии 200 могут выступать в качестве:
► Главных насосов
► Насосов вторичных контуров
► Насосов рециркуляции котла
► Насосов в калориферах
► Насосов в системах «теплых полов»
► Насосов систем, использующих теплоту солнца и грунта
► Насосов систем рекуперации тепла
ПРЕИМУЩЕСТВА насосов GRUNDFOS серии 200:
► Насос имеет три частоты вращения для выбора оптимальной производительности в конкретной гидросистеме
► Корпус насоса из чугуна (с защитным катафорезным покрытием)
► Рабочее колесо из нержавеющей стали
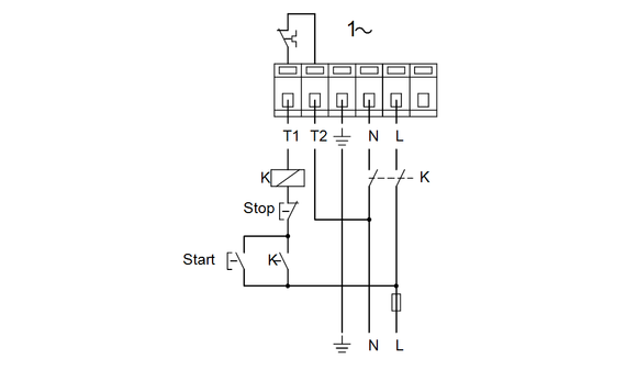
► Защита от перегрева осуществляется с помощью модуля защиты электродвигателя (в зависимости от комплектации, может входить в комплект поставки)
► Дополнительная надёжность за счет использования графитового упорного подшипника
► Насос и электродвигатель образуют единый узел без уплотнения вала
► Защитная гильза, наружная оболочка ротора и подшипниковая пластина изготовлены из нержавеющей стали
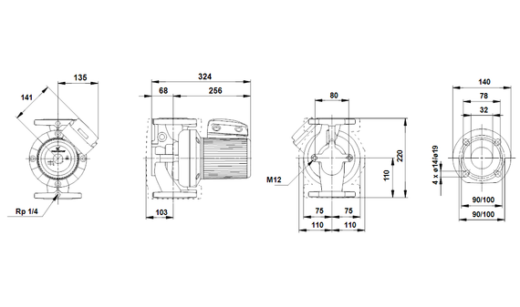
Технические характеристики Grundfos UPS 32-120 F (1x230 В)
- Номер модели: 96401837
- Сервис за 24 часа: да
- Гарантия: 24 мес.
- Тип насоса: Циркуляционный
- Потребляемая мощность: 380.0 Вт
- Пропускная способность: 14.0 м3/ч
- Максимальный напор: 12.0 м
- Напряжение сети: 220 B
- Вес насоса: 17.30
- Размер фланцев: DN 32
- Эксплуатационное давление: Макс. 10 бар
- Температура окружающей среды: от 0°С до + 40°С
- Длительно действующая температура: макс. +120°С









