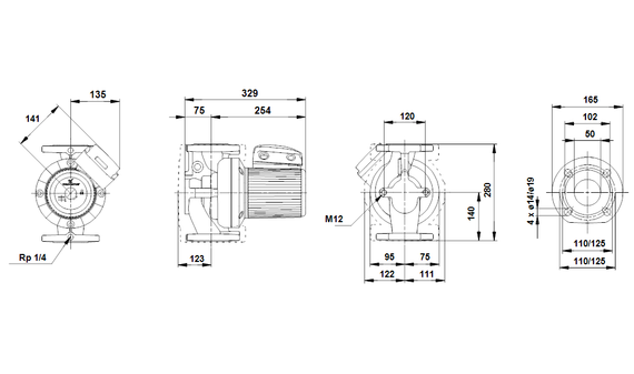
Циркуляционный насос Grundfos UPS 50-60/2 F (1x230 В)
Насосы UPS(D) серии 200 спроектированы для обеспечения циркуляции жидкостей в системах отопления и кондиционирования воздуха. Насосы с корпусами из бронзы также подходят для использования в системах горячего водоснабжения.
Примеры вариантов применения приведены ниже:
- Однотрубные и двухтрубные системы отопления;
- Основные насосы;
- Зональные насосы;
- Котельные насосы с параллельным всасыванием;
- Насосы для отопительных поверхностей;
- Водонагреватели;
- Системы отопления "тёплый пол";
- Системы солнечного отопления;
- Теплонасосные системы;
- Геотермальные системы теплоснабжения;
- Системы рекуперации тепла;
- Двухтрубные системы кондиционирования воздуха;
- Насосы для холодильных установок.
Технические характеристики Grundfos UPS 50-60/2 F (1x230 В)
- Номер модели: 96402053
- Сервис за 24 часа: да
- Гарантия: 24 мес.
- Тип насоса: Циркуляционный
- Потребляемая мощность: 390.0 Вт
- Пропускная способность: 26.0 м3/ч
- Максимальный напор: 6.0 м
- Напряжение сети: 220 B
- Вес насоса: 17.30
- Размер фланцев: DN 50
- Эксплуатационное давление: Макс. 10 бар
- Температура окружающей среды: от 0°С до + 40°С
- Длительно действующая температура: макс. +120°С







