Циркуляционный насос Grundfos ALPHA1 L 32-40 180
используется для циркуляции воды или гликольсодержащих жидкостей в регулируемых системах отопления и в системах отопления с переменным расходом.
Насосы ALPHA1 L подходят для следующих систем:
- систем с постоянным или переменным расходом, в которых желательно оптимизировать рабочую точку насоса;
- для использования в существующих гидросистемах, где в периоды снижения расхода воды на насосе создаётся высокий перепад давления;
- для установки в новых системах с целью автоматического регулирования производительности в соответствии с расходом воды без использования перепускных клапанов или иных дорогостоящих компонентов.
РЕЖИМЫ РАБОТЫ НАСОСА GRUNDFOS ALPHA1L :
- 3 фиксированных частоты вращения / Три кривые постоянных значений
- Режим отопления «радиаторы»
- Режим отопления «тёплый пол»
- Управление частотой вращения с помощью ШИМ-сигнала (широтно-импульсной модуляции) низкого напряжения. Сигнал ШИМ - это метод генерации аналогового сигнала при помощи цифрового источника. Возможность работы по ШИМ сигналу с котлами и «умным домом» благодаря встроенному разъему
РЕЖИМЫ УПРАВЛЕНИЯ

Режим радиаторного отопления
В режиме радиаторного обогрева осуществляется настройка производительности насоса в соответствии с фактической теплопроизводительностью системы и режимом пропорционального регулирования давления.
Режим отопления «тёплый пол»
В режиме обогрева "теплый пол" осуществляется настройка параметров насоса в соответствии с фактической теплопроизводительностью системы и характеристикой постоянного давления.
Кривая при фиксированной частоте вращения
В режиме использования кривой при фиксированной частоте вращения насос работает с постоянной частотой вращения независимо от фактического расхода в системе.

Конструкция
Насос Grundfos ALPHA1 L рассчитан на продолжительную и бесперебойную работу, т.е. насос и двигатель составляют единый блок без торцевого уплотнения вала всего с одним сальником в качестве уплотнения. Подшипники смазываются перекачиваемой жидкостью. Такая конструкция гарантирует эксплуатацию без необходимости обслуживания.
Насосы имеют следующие отличительные особенности:
- электродвигатель с постоянным магнитом/с компактным статором, энергоэффективный, с высоким пусковым крутящим моментом
- керамический вал и радиальные подшипники с большим сроком эксплуатации
- угольный упорный подшипник с большим сроком эксплуатации
- корпус ротора из нержавеющей стали, опорная плита и покрытие ротора, которые обеспечивают продолжительную эксплуатацию без коррозии
- композитное рабочее колесо с большим сроком эксплуатации без возникновения коррозии
- корпус насоса из нержавеющей стали или чугуна
- насос снабжен специально системой автоматического удаления воздуха для быстрого ввода в эксплуатацию
- компактный насос, головная часть которого снабжена встроенным пультом управления питанием, которая применяется в большинстве распространенных установок
- Тип насоса: Циркуляционный

- Вид насоса: Поверхностный
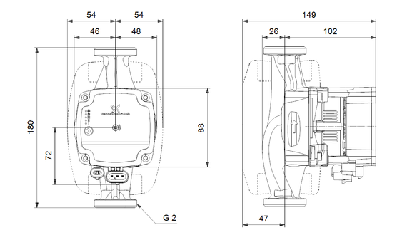
- Высота: 18 см
- Ширина: 9.4 см
- Длина: 12.8 см
- Вес: 2.3 кг
- Материал корпуса: Чугун
- Максимальный напор: 4.4 м
- Пропускная способность: 2.8 куб. м/час
- Максимальное рабочее давление: 10 бар
- Класс защиты: X4D
- Напряжение сети: 1 х 230 В
- Минимальная потребляемая мощность: 4 Вт
- Максимальная потребляемая мощность: 25 Вт
- Уровень шума: ниже 43 дБ
- Качество воды: Чистая
- Допустимая температура перекачиваемой жидкости: от 2°C до 95°C
- Тип ротора: “мокрый”
- Диаметр разъема соединения: 2"
- Установка насоса:Горизонтальная (см. рисунок)
- Страна-производитель: Дания
- Сервис за 24 часа: да
- Гарантия: 60 мес.
- EAN код: 5712608550539








