Комплектная автоматическая установка Grundfos JPA 4-47 PT-H

Таблица соответствий старым моделям насосов и установок серии JP
|
СТАРЫЕ МОДЕЛИ |
НОВЫЕ МОДЕЛИ |
||
|
№ продукта |
Тип продукта | № продукта | Тип продукта |
| 46511002 | JP 5 | 99458767 | JP 4-47 |
| 46611002 | JP 6 | 99458769 | JP 5-48 |
| 4651BPBB | JPB5 бак 24 литра | 99463875 | JP 4-47 PT-H |
| 4651BQBB | JPB5 бак 60 литров | Без замены | |
| 4661BPBB | JPB6 бак 24 литра | 99463877 | JP 5-48 PT-H |
| 4661BQBB | JPB6 бак 60 литров | Без замены | |
| 98946107 | JPA 3-42 PT-H | 99463874 | JP 3-42 PT-H |
| 98946108 | JPA 4-47 PT-H | 99463875 | JP 4-47 PT-H |
| 98946109 | JPA 4-54 PT-H | Без замены | |
| 99074040 | JPA 5-61 PT-V | Без замены | |
| 99074041 | JPA 8-62 PT-V | Без замены | |
Установка представляет собой полностью укомплектованный, готовый к подключению и эксплуатации агрегат, в комплект которого входят:
-
самовсасывающий насос JPA со встроенным эжектором;
-
мембранный напорный бак 20 л
-
реле давления,
-
манометр,
-
кабель и штекер с заземляющим контактом.
Насосы Grundfos JPA являются самовсасывающими центробежными моноблочными насосами с корпусом, выполненном из чугуна. Насос имеет встроенный эжектор, который обеспечивает хорошую всасывающую способность. Рабочее колесо и эжектор выполнены из технополимера.
После первоначальной заливки насоса водой он работает в режиме самовсасывания.
Конструктивно предусмотрен клапан для отключения эжектора, когда в нем нет необходимости, что уменьшает уровень шума и значительно повышает КПД.
Основные области применения:
• Водоснабжение в домах на одну и две семьи:
- подача воды из колодцев (глубина всасывания до 8 м);
- повышение давления в существующих системах водоснабжения;
• Садоводство.
• Перекачивание воды.
• Сельское хозяйство.
Преимущества:
• Самовсасывающий насос.
• Подъем с глубины до 8 метров благодаря эжектору.
• Длительный срок службы.
• Мембранный напорный бак самого высокого качества. Отсутствие проблем связанных с коррозией, т.к. корпус и фланец гидроаккумулятора выполнены из нержавеющей стали.
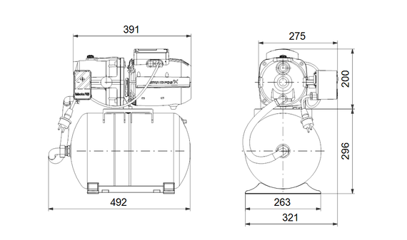
Технические характеристики Grundfos JPA 4-47 PT-H:
- Номер модели: 98946108
- Тип насоса: Самовсасывающий
- Максимальный расход: 3.6 куб.м/час
- Высота: 49.6 см
- Ширина: 32.1 см
- Максимальный напор: 47 м
- Вес: 17.5 кг
- Длина: 49.2 см
- Вид насоса: Поверхностный
- Диаметр насоса: 32.1 см
- Страна-производитель: Венгрия
- Сервис за 24 часа: да
- Гарантия: 24 мес.
- Диаметр соединения: G 1
- Материал корпуса: Чугун
- Максимальное рабочее давление: 8 бар
- Потребляемая мощность: 850 Вт
- Рабочая жидкость: Вода
- Допустимая температура перекачиваемой жидкости: от 0°C до 35°C
- Рабочее колесо: Композит
- Напряжение сети: 1 х 230 В
- Номинальный ток: 3.8 A
- Класс защиты: IP 44
Преимущества:
Самовсасывание с глубины до 8 м;
Высокая надежность, благодаря применению качественных материалов – чугунный корпус,
бак улучшенного качества;
Гарантия 2 года.





