Рециркуляционный насос Grundfos COMFORT UP 15-14 BT с термостатом
Grundfos COMFORT UP 15-14 BT — это интеллектуальный и компактный насос, разработанный для создания системы мгновенной подачи горячей воды в частных домах и квартирах. Он решает проблему долгого ожидания, когда приходится сливать литры холодной воды перед тем, как пойдет горячая. Это устройство обеспечивает не только комфорт, но и значительную экономию воды и энергоресурсов.
Главная особенность этой модели — встроенный термостат, который автоматически управляет работой насоса, включая его только тогда, когда это необходимо для поддержания температуры в трубах.
Ключевые преимущества и особенности
- Интеллектуальное управление с помощью термостата: Насос автоматически включается, когда температура воды в трубе опускается ниже заданного значения (35-65 °C), и отключается при ее нагреве. Это обеспечивает максимальную экономию электроэнергии по сравнению с насосами, работающими постоянно.
- Моментальная подача горячей воды: Устраняет необходимость ждать, экономя ваше время и сокращая расход воды до 16 000 литров в год на семью.
- Низкое энергопотребление: Мощность двигателя составляет всего 25 Вт, что сопоставимо с небольшой светодиодной лампочкой. Эксплуатация насоса практически не скажется на счетах за электричество.
- Гигиеничность и долговечность: Корпус насоса выполнен из латуни, что гарантирует высокую стойкость к коррозии и полную безопасность при использовании в системах с питьевой водой.
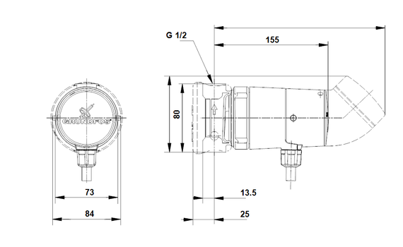
- Простой и быстрый монтаж: Благодаря компактным размерам, стандартной монтажной длине 80 мм и резьбовому соединению G 1/2", насос легко устанавливается в существующую систему ГВС.
Принцип работы
Насос COMFORT UP 15-14 BT монтируется в контур рециркуляции ГВС. Когда вода в трубах остывает, термостат дает команду на включение, и насос медленно прокачивает ее обратно к водонагревателю. Как только горячая вода достигает насоса, термостат отключает его до следующего цикла остывания.
Области применения
- Системы горячего водоснабжения (ГВС) в частных домах, коттеджах и квартирах.
- Обеспечение постоянной циркуляции для полотенцесушителей, подключенных к системе ГВС.
- Небольшие коммерческие объекты (гостиницы, кафе), где важна быстрая подача горячей воды.
Технические характеристики
- Артикул: 96433885
- Монтажная длина: 80 мм
- Диаметр подключения: G 1/2"
- Максимальная потребляемая мощность: 25 Вт
- Материал корпуса: Латунь
- Система управления: Встроенный термостат (диапазон 35-65 °C)
- Максимальное рабочее давление: 10 бар
- Температура перекачиваемой жидкости: от +2°C до +95°C
- Напряжение сети: 1 x 230 В, 50 Гц
- Класс защиты: IP42
- Вес нетто: 1.05 кг





