Сдвоенный циркуляционный насос Grundfos MAGNA D 32-120 F
Grundfos MAGNA D 32-120 F — это высокоэффективный сдвоенный (двойной) циркуляционный насос, разработанный для обеспечения максимальной надежности в системах отопления, вентиляции и кондиционирования (ОВК) коммерческих и жилых зданий. Его ключевая особенность — сдвоенная конструкция, которая обеспечивает 100% резервирование и гарантирует бесперебойную работу системы.
Оснащенный двигателем с частотным регулированием, насос MAGNA D адаптирует свою производительность к реальным потребностям системы, что обеспечивает значительную экономию электроэнергии и снижает общие эксплуатационные расходы.
Ключевые преимущества и особенности
- Высокая надежность и 100% резервирование: Сдвоенная конструкция позволяет насосу работать в режимах "основной/резервный" или "каскадный". В случае неисправности одного насоса, второй автоматически включается в работу, обеспечивая непрерывную циркуляцию теплоносителя.
- Энергоэффективность: Двигатель с переменной скоростью вращения позволяет насосу работать в широком диапазоне мощностей (от 25 до 430 Вт), потребляя ровно столько энергии, сколько требуется в данный момент.
- Долговечность и прочность: Корпус из высокопрочного чугуна (EN-JL1040) и рабочее колесо из нержавеющей стали (AISI 304) обеспечивают высокую стойкость к коррозии и износу, гарантируя долгий срок службы.
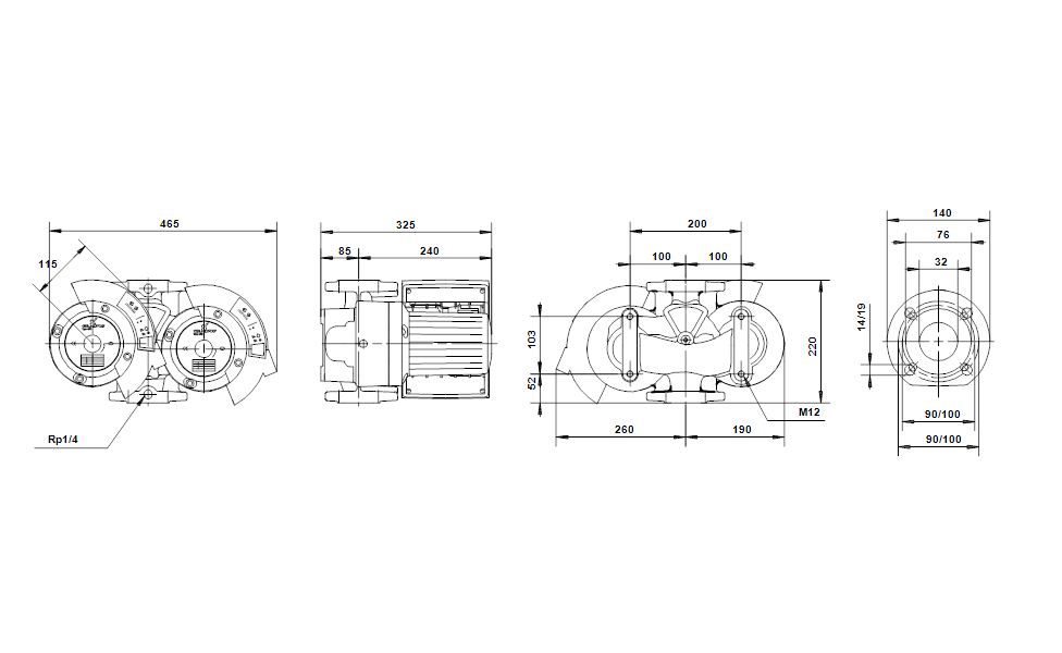
- Простота монтажа: Стандартное фланцевое соединение DN 32 (PN 6/10) и монтажная длина 220 мм упрощают интеграцию насоса в новые и существующие трубопроводы.
Области применения
Этот насос является идеальным решением для критически важных систем, где требуется безотказная работа:
- Системы отопления в многоквартирных домах, офисных и административных зданиях.
- Системы кондиционирования воздуха и контуры охлаждения (HVAC).
- Промышленные циркуляционные контуры.
- Системы рециркуляции горячего водоснабжения (ГВС).
Технические характеристики
- Артикул: 96513629
- Тип: Сдвоенный (двойной) насос
- Максимальный напор: 12 м (120 дм)
- Монтажная длина: 220 мм
- Тип соединения: Фланцевое, DN 32 (PN 6/10)
- Потребляемая мощность (P1): 25 – 430 Вт
- Напряжение сети: 1 x 230-240 В, 50 Гц
- Материалы: Корпус — чугун, рабочее колесо — нержавеющая сталь
- Температура перекачиваемой жидкости: от +2°C до +95°C
- Класс защиты: IP X4D
- Вес нетто: 38 кг







