Данная модель в оригинальном исполнении в Россию не поставляется!
Обратите внимание на насос IBO MAGI H 25-120/180
Идентичная гидравлическая характеристика, электронное управление, большее количество настроек.
35.000р
Циркуляционный насос Grundfos UPS 25-125 180
используются для циркуляции воды или гликольсодержащих жидкостей в системах отопления и кондиционирования.
Насос, оснащенный электродвигателем с мокрым ротором и защищенным статором, без сальниковых уплотнений, с двумя уплотнительными кольцами. Подшипники смазываются перекачиваемой жидкостью. частоты вращения.
Характеристики насоса:
Керамические вал и радиальные подшипники.
Осевой подшипник из графита.
Гильза ротора и опорный подшипник сделаны из нержавеющей стали.
Рабочее колесо: - Коррозионно-стойкое рабочее колесо, Композит, PES/PP
Корпус насоса: - Корпус насоса из чугуна
Фаза: 1-фазный электродвигатель, не требующий дополнительной защиты.
Технические характеристики Grundfos UPS 25-125:
Количество скоростей - 3
Макс гидростатический напор - 125 дм
TF класс - 60
Данные на фирменной табличке - EAC
Материалы:
Корпус насоса - Чугун, EN-JL1030 , ASTM 30 B
Рабочее колесо - Составной, PES/PP
Монтаж:
Макс.T окр.среды при темп-ре жидкости 80 0C - 80 °C
Макс. рабочее давление - 10 бар
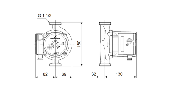
Соединение труб - G 1 1/2
Допустимое давление - PN 10
Монтажная длина - 180 мм
Жидкость:
Диапазон температур жидкости - 2 .. 60 °C
Температура перекачиваемой жидкости - 60 °C
Плотность - 983.2 кг/м
Данные электрооборудования:
Потребляемая мощность при скорости 1 - 135 Вт
Потребляемая мощность при скорости 2 - 210 Вт
Макс. потребляемая мощность - 270 Вт
Промышленная частота - 50 Hz
Номинальное напряжение - 1 x 230 V
Ток при частоте вращения 1 - 0.61 A
Ток при частоте вращения 2 - 0.93 A
Ток при скорости 3 - 1.18 A
Размер конденсатора - работа - 6 мкФ
Класс защиты (IEC 34-5) - X2D
Класс изоляции (IEC 85) - F
Защита электродвигателя - CONTACT
Тепловая защита - внутрений
Устройства управления:
Положение коробки выводов - 9H
Другое:
Нетто вес - 4.4 кг
Брутто вес - 4.6 кг
Объем упаковки - 0.006 м3
Cтрана происхождения - CN
ТН ВЭД ЕАЭС Код - 8413703000
- Диаметр разъема соединения: 1 1/2"
- Установка насоса: Горизонтальная (см. рисунок)
- Монтажная длина: 180 мм





